諧波減速器是一種體積小、重量輕、結構簡單的新興機械轉動變形機構,利用行星齒輪轉動原理,具備承載能力強、轉動效率高、減速比大的特性。機床、機器人、電子設備、化工機械等領域得到應用。

諧波減速器是一種廣泛應用于各種傳動系統的精密配件,具有結構緊湊、減速比大、精度高。另一方面,諧波傳動裝置波發生器、柔輪和剛輪之間的裝配精度要求直接影響減速器的輸出性能,精度越好,傳遞運動力量越平衡,振動越小,噪音也越小。
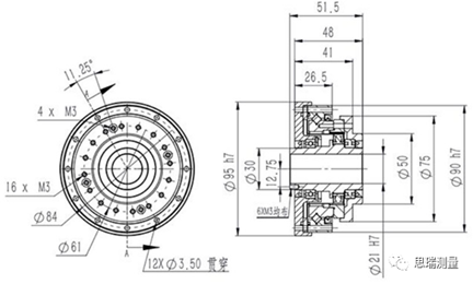
測量時要使用精密設備對下圖測量重點進行檢測。假如需要在高精度的基礎上提升檢測效率,那么可以搭配協作機器人完成自動化測量方案。為此思瑞設計了一款檢測方案,配合Rational-dmis軟件強大的二次開發功能,上下料、測量、輸出報告都能自動完成,非常高效。

測量過程
第一步需要我們先做好測量準備,調試好機器人及完成三坐標測量程序編程。
隨后機器人便會從料架待測產品區抓取防止三坐標工作臺測量,三坐標自動完成測量并自動輸出報告,機器人根據測量報告將工件OK/NG區域。接著循環執行機器人取料——自動測量輸出報告——機器人根據報告將工件放在OK/NG區域這三步驟,完成自動高效測量。
這份自動化方案不僅解決了諧波減速器檢測精度與效率兩大痛點,而且測量數據穩定,精確度和重復度都高,適合大批量工件檢測,同時還能與與ERP/MES管理系統無縫連接,以便處理后續數據。

通過對協作機器人加持部分改造及Rational-dmis軟件強大的二次開發功能,實現了諧波減速器自動化解決方案,除此之外,思瑞還有電極三坐標自動化檢測等方案。未來思瑞將根據行業及市場發展,推出更多自動化檢測方案,助力相關企業實現智慧測量的目標。
返回頂部